Efek fuzz adalah salah satu efek gitar listrik yang mana efek ini memberikan pengaruh pada suara senar gitar yang dipetik, dari awalnya hanya suara gitar saja namun kalau efek fuzz dustorsi sudah di on kan akan menghasilkan suara berbeda dari aslinya.
Bagi Anda yang sudah sering bermain gitar elektrik alias gitar listrik, pasti sudah tidak asing dengan yang namanya efek gitar (guitar effect). Efek gitar adalah suatu perangkat elektronik yang fungsinya untuk mengubah suara gitar itu sendiri sehingga berbeda dari suara aslinya. Biasanya untuk menjernihkan suara aslinya atau membuat aneka suara distorsi/berisik seperti pada musik Rock.
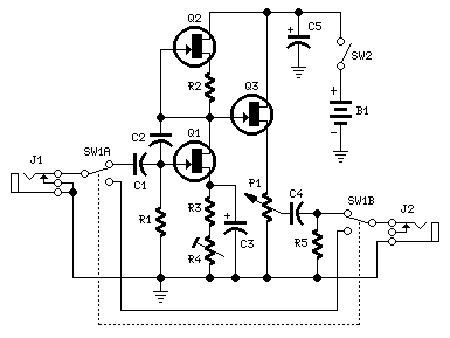
Jadi efek gitar berfungsi untuk mengubah suara asli gitar yang hanya jreng-jreng-jreng menjadi beraneka macam sesuai dengan selera kita. Distorsi adalah jenis efek yang biasanya memiliki suara berisik yang suaranya berbasis pada suara amplifier tabung overdrive, termasuk disini efek fuzz. Sekarang, mari kita mencoba membuat efek fuzz. Di bawah ini kami sajikan gambar skema Rangkaian Efek Fuzz. Rangkaian ini bisa Anda kemas dalam sebuah kotak atau box.

Daftar komponen :
P1 = 10K Potensiometer Log
R1 = 1M 1/4W Resistor
R2 = 3K3 1/4W Resistor
R3 = 2K2 1/4W Resistor
R4 = 5K 1/2W Trimmer Cermet
R5 = 100K 1/4W Resistor
C1 = 100nF 63V Kapasitor Polyester
C2 = 100pF 63V Kapasitor Keramik
C3 = 22µF 25V Kapasitor Elektrolit
C4 = 100nF 63V Kapasitor Polyester
C5 = 22µF 25V Kapasitor Elektrolit
Q1 = 2N3819
Q2 = 2N3819
Q3 = 2N3819
J1 = Soket Jack Mono 6.3 mm
J2 = Soket Jack Mono 6.3 mm
SW1 = Saklar DPDT , saklar geser atau saklar pedal
SW2 = Saklar SPST atau saklar geser
B1 = 9 Volt
Beberapa komponen yang digunakan pada skema efek gitar listrik adalah komponen yang mudah diperoleh sehingga lebih mudah dalam mendapatkannya, sehingga kita dapat merangkai sendiri dan menentukan kualitas masing-masing komponen untuk hasil terbaik.
Selebihnya, penggunaan 3 buah transistor PNP sebagai semikonduktor negatif memudahkan kita untuk menemukan seri dari transistor tersebut, dengan dukungan komponen yang lebih sederhana sehingga lebih mudah memperbaikinya kalau misalnya terjadi kerusakan. Pada beberapa kasus, penggunaan IC akan menyulitkan kita kalau model IC yang dicari tidak ditemukan.
Rangkaian Efek Fuzz ini dirancang untuk mendapatkan katup seperti suara distorsi dari gitar listrik atau alat musik lainnya. Untuk mendapatkan gain yang sangat tinggi, maka rangkaian menggunakan tiga penguat FET. Oleh karena itu, distorsi suara yang diperoleh dari alat/rangkaian tersebut memiliki nada aneh, sangat disukai oleh sebagian besar gitaris terkemuka.
Akhirnya admin rangkaian elektronika hanya dapat membagikan bermacam skema sederhana dengan harapan kita lebih mudah mendapatkan ide untuk membuatnya menjadi rangkaian asli yang mana akan berguna dalam berbagai keperluan, sehingga memudahkan kita dalam berbagai aplikasi dalam kehidupan sehari-hari.