Rangkaian Radio Cassette Player Bass Booster – Sekarang orang rata-rata cenderung menyukai peralatan yang serba terpadu. Misalnya perangkat itu memadukan radio dan DVD/VCD player, atau perpaduan TV dan radio. Jadi sebuah perangkat kompak yang bisa berfungsi ganda, bahkan lebih. Memang sih dari pada membeli satu per satu perangkat yang jatuhnya lebih mahal, mendingan perangkat kompak.
Oya, pada postingan kali ini kami ingin mengenang kembali zaman dulu. Dulu kayaknya top banget tuh yang nama Radio Cassette Player. Peralatan kompak berupa perpaduan antara radio dan pemutar kaset. Radio Cassette Player ini biar sudah berbau jadul, tapi sudah dimodifikasi dengan sentuhan Bass Booster. Silakan lihat-lihat dulu gambar skema Rangkaian Radio Cassette Player Bass Booster ini! Yaaa siapa tahu tertarik untuk merakit sendiri.

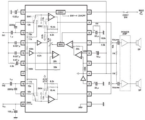
Sebuah bass booster adalah perangkat elektronik / sirkuit yang menekankan frekuensi audio yang lebih rendah dengan pelemahan frekuensi audio yang lebih tinggi. Skema di atas menunjukkan desain sebuah Rangkaian Radio Cassette Player Bass Booster menggunakan IC BA3870. BA3870 merupakan IC yang mendorong bass audio yang mengatur dorongan dasar ke tingkat yang sesuai untuk volume, mencapai suara kaya tanpa distorsi. Tingkat maksimum bass boost dapat diatur secara eksternal dan sirkuit dorongan treble (konstan pada 4dB) termasuk untuk menjaga keseimbangan secara keseluruhan.