Rangkaian Alat Pengingat Elektronik adalah perangkat yang mengoperasikan flashing LED (dan / atau beeper) pada interval waktu yang tetap. Sebuah pilihan interval waktu seluas-luasnya tersedia dalam rangkaian ini, yaitu 4, 6, 8, 12, 24 dan 48 jam. Pada awalnya Anda harus memilih interval jam dengan beralih SW1 ke nilai yang diinginkan, kemudian menerapkan daya dengan cara SW2. Setelah penundaan jam yang dipilih telah berlalu LED akan mulai berkedip di 2Hz, yaitu dua kali per detik. Status ini akan berlangsung sampai tombol tekan P1 ditekan: maka LED akan mati, tapi rangkaian akan terus menghitung dan LED akan berkedip lagi ketika interval waktu yang sama seperti sebelumnya tercapai. Sebuah fitur penting dari rangkaian ini, biasanya tidak ditemukan dalam perangkat serupa, adalah bahwa counter internal tidak reset ketika P1 ditekan: ini memungkinkan presisi interval waktu yang lebih baik.
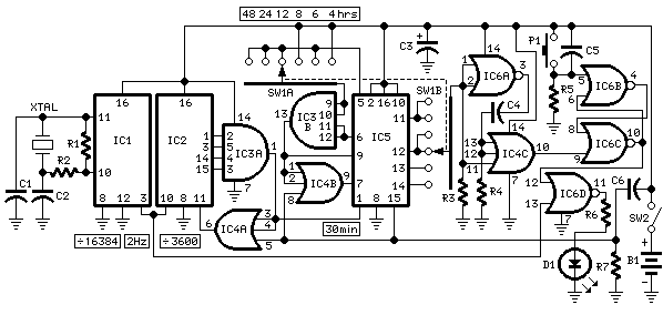
Mari kita lihat fitur alat ini dengan memperhatikan sebuah gambar skema Rangkaian Alat Pengingat Elektronik di bawah ini.

Daftar komponen :
R1 = 10M 1/4W Resistor
R2,R3,R4 = 100K 1/4W Resistor
R5,R7 = 10K 1/4W Resistor
R6 = 1K 1/4W Resistor
C1,C2 = 22pF 63V Kapasitor Keramik
C3 = 22µF 25V Kapasitor Elektrolit
C4,C5 = 100nF 63V Kapasitor Polyester
C6 = 1µF 63V Kapasitor Elektrolit
IC1 = 4060 IC CMOS
IC2 = 4040 IC CMOS
IC3 = 4082 Dual 4 input AND gate IC CMOS
IC4 = 4075 Triple 3 input OR gate IC CMOS
IC5 = 4520 Dual binary up-counter IC CMOS
IC6 = 4001 Quad 2 input NOR Gate IC CMOS
D1 = LED merah 5 atau 10 mm
XTAL = Kristal jam 32.768 kHz Sub-miniatur
P1 = SPST Pushbutton
SW1 = Saklar putar 2 poles 6 ways
SW2 = Saklar geser
B1 = Baterai 9V
Komponen alternatif :
R8 = 1K 1/4W Resistor
R9 = 330K 1/4W Resistor
R10 = 20K 1/2W Cermet atau Carbon Trimmer
R11 = 1K 1/2W Cermet atau Carbon Trimmer
C7 = 1µF 63V Kapasitor Polyester
IC7 = IC Timer CMOS 7555 atau TS555CN
Jam sirkuit terbuat dari osilator stabil yang dibangun dua inverter tertanam ke IC1 dan kristal jam berosilasi pada 32.768kHz. Frekuensi ini dibagi dengan 16384 oleh internal rantai flip-flop dari IC1 dan 2Hz frekuensi jam sangat stabil tersedia di pin # 3 dari IC ini. Counter IC2 dan input IC3A 4 gerbang AND dilengkapi dalam rangka untuk membagi dengan 3600 jam 2Hz, oleh karena itu, denyut nadi setiap 30 menit tersedia pada input clock IC5. Pembagian faktor IC ini dikendalikan oleh IC3B dan posisi SW1A dan B, memilih dari enam interval waktu tetap ke 4, 6, 8, 12, 24 dan 48 jam.
Set-ulang flip-flop dibentuk oleh IC6B dan IC6C diatur melalui IC4C setiap kali merendah untuk transisi tinggi hadir di pin IC5 dipilih oleh kursor SW1B. IC6A dan C4 menyediakan untuk mengatur flip-flop juga ketika naik untuk transisi rendah hadir di kursor SW1B. Ketika flip-flop diatur, IC6D diaktifkan dan frekuensi 2Hz tersedia di pin # 3 dari IC1 yang diterapkan ke pin # 13 dari IC6D dan menyebabkan operasi LED berkedip. Flip-flop kemudian dapat direset melalui P1. Sebuah master reset dilakukan secara otomatis yaitu pada C6 dan R7 di dalam Rangkaian Alat Pengingat Elektroka.