Amplifier yang berjalan dari 12V DC umumnya tidak mengeluarkan banyak power (kekuatan) dan mereka juga biasanya tidak Hi-Fi. Tapi Rangkaian Stereo Amplifier 20W 12V ini mempunyai cukup kekuatan dan kotak distorsi yang rendah. Dengan pasokan 14.4V, akan menghasilkan 20 watt per channel pada loadspeaker 4 ohm, sementara distorsi harmonik pada tingkat daya yang rendah biasanya kurang dari 0,03%.
Rangkaian ini adalah proyek yang ideal untuk siapa pun yang ingin stereo amplifier kompak yang dapat dijalankan dari baterai 12V. Bisa jadi banyak pengamen yang menginginkan amplifier stereo ini sebab bisa dijalankan dari baterai SLA atau bisa digunakan di mana saja yang tersedia 12V DC – dalam mobil, kendaraan rekreasi, rumah-rumah terpencil.
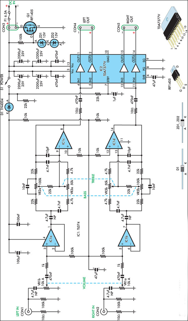
Berikut ini kami tampilkan gambar skema Rangkaian Stereo Amplifier 20W 12V.
Dengan menggunakan IC power amplifier TDA7377, distorsi harmonik total dari Rangkaian Stereo Amplifier 20W 12V ini sekitar 50 kali lebih baik daripada unit yang lama. Intinya adalah bahwa distorsi harmonik total dalam kondisi khas adalah sekitar hanya 0,03% atau kurang. Hal ini juga dapat memberikan lebih banyak daya output. Selain itu, konsumsi daya idle yang rendah – tidak lebih dari 1W. Akibatnya, jika Anda tidak mendorongnya terlalu keras itu akan berjalan dingin dan tidak akan menguras baterai terlalu cepat. Dan karena IC memiliki sirkuit perlindungan diri, hal ini akan membatasi diri atau menutup jika terlalu panas dan output dinonaktifkan jika terjadi korsleting.
