Radio kristal adalah radio penerima paling tua tercipta dimana komponen-komponennya juga cukup sederhana. Jadi wajar bila suaranya tidak seperti radio-radio penerima zaman sekarang. Cukup bisa didengar sendiri saja dan dengan bantuan earphone bisa terasa lebih mantap. Namun Anda jangan khawatir selagi kita masih diberi akal dan kreatif, masalah seperti ini bisa diatasi kok. Kali ini saya perkenalkan rangkaian penguat audio radio kristal.
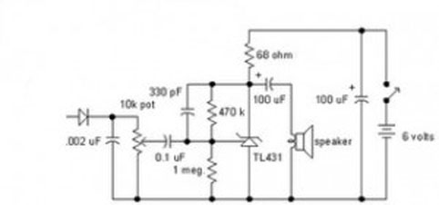
Dari namanya, rangkaian penguat audio radio kristal, jelas sekali rangkain ini berfungsi memperkuat suara dari output radio. Ini adalah penguat audio sederhana menggunakan regulator shunt TL431. Penguat akan menyediakan ruang untuk mengisi volume dari radio kristal biasa dilengkapi dengan antena kawat panjang dan ground yang baik. Sirkuit ini mirip dalam kompleksitas sebuah radio satu transistor sederhana namun kinerjanya jauh lebih unggul. TL431 ini tersedia dalam paket KE-92 dan terlihat seperti transistor biasa jadi Anda akan terkesan oleh volume yang diperoleh dengan hanya satu transistor!

Penguat dapat digunakan untuk proyek-proyek lainnya. Headphone impedansi tinggi dan speaker juga dapat digunakan. Sebuah earphone dari telepon lama akan memberikan volume yang memekakkan telinga dan sensitivitas yang besar. Resistor 68 ohm dapat ditingkatkan sampai beberapa ratus ohm saat menggunakan earphone impedansi tinggi untuk menghemat daya baterai. Untuk menggunakan rangkaian penguat audio radio kristal sebagai penguat umum, sebuah potensiometer yang bernilai lebih tinggi dapat digunakan untuk impedansi input yang lebih tinggi.