Rangkaian bel suara musik ini kami sajikan untuk memenuhi salah satu permintaan pengunjung setia website Rangkaian Elektronika. Musik adalah nada atau suara yang disusun sedemikian rupa sehingga mengandung irama, lagu, dan keharmonisan. Di dunia ini hampir semua orang menyukai musik. Tak heran bila musik banyak diaplikasikan ke dalam perangkat yang digunakan manusia, salah satu diantaranya adalah bel. Bel pintu, baik di rumah-rumah atau kantor, mengeluarkan nada/musik bila ditekan tombolnya. Bahkan ada pula bel yang mengeluarkan bunyi berupa ucapan manusia, seperti “Assamu’alaikum”. Namun pada kesempatan kali ini kita akan membahas mengenai bel yang bisa menghasilkan atau mengeluarkan suara musik/nada.
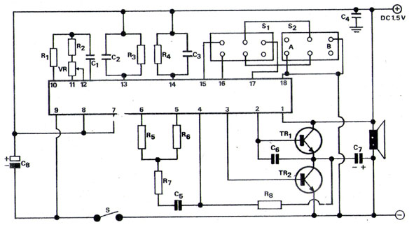
Rangkaian bel suara musik sangat cocok dijadikan latihan/praktik bagi penggemar elektronika yang masih newbie/pemula. Namun buat yang sudah senior pun tak dilarang kok untuk membuatnya, baik dibuat hanya sekedar untuk mainan atau memang untuk dijadikan bel pintu. Nah, untuk bahan pembelajaran di bawah ini kami sajikan gambar skema Rangkaian Bel Suara Musik. Silakan Anda lihat dan pelajari dengan seksama.

Adapun komponen-komponen yang diperlukan untuk membuat rangkaian ini adalah sebagai berikut :
R1 = 100K
R2 = 3K3
R3, R4, R5, R6, R7 = 47K
R8 = 150K
C1 = 33pF
C2 = 10nF
C3 = 10nF
C4 = 10nF
C5 = 0,02uF/6V
C6 = 0,047uF/6V
C7 = 100uF/6V
C8 = 1000uF/6V
IC = MN6221
TR1 = FCS 9012
TR2 = FCS 9013
S1, S2 = Saklar Geser
Speaker = Impedansi 4 Ohm
Rangkaian Bel Suara Musik seperti skema di atas adalah sebuah rangkaian bel yang dapat menghasilkan beberapa suara musik yang disesuaikan dengan tipe IC-nya. Rangkaian ini sangat cocok untuk bel pintu. Komponen dasarnya adalah sebuah IC tipe MN 6221 yang memiliki 16 pin/kaki dan diperkuat oleh dua buah transistor tipe FCS 9012 dan FCS 9013. Oke, selamat berkarya dan semoga berhasil.