Kondensator yang melengkapi rangkaian pesawat televisi umumnya sering bocor. Akibatnya bintik-bintik layar lebih kasar sehingga mengganggu gambar tayang. Untuk mengantisipasi hal ini maka diperlukan rangkaian penguji kapasitor apakah masih normal atau perlu diganti, sehingga dengan perangkat atau alat test elco rusak ini dapat diketahui dengan pasti sebelum kita mengganti komponen tersebut.
Ketika terdapat elco pada tv atau rangkaian lain yang tidak bekerja optimal sehingga mengakibatkan kerusakan maka ini sangat mengganggu. Hal ini tentu tidak diinginkan oleh pemiliknya, termasuk Anda. Bagi yang mengetahui tentang elektronik tentu menjadi masalah. Mereka akan mencari penyebabnya dan berusaha memperbaikinya. Untuk itu tidak jarang mereka menggunakan Avometer sebagai alat pencari kerusakan. Tetapi bagi yang belum memiliki Avometer, itu menjadi sebuah kendala. Maka dari itu kami tawarkan sebuah Rangkaian Penguji Kondensator sebagai alternatifnya.
Bagi Anda yang tidak mempunyai Avometer janganlah berkecil hati sebab Anda dapat merangkai alat penguji sendiri yang dinamakan Rangkaian Penguji Kondensator. Alat ini sangat sederhana, tetapi sangat sensitif (peka) terhadap kebocoran sebuah kondensator.

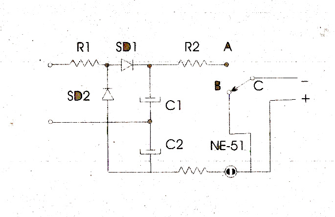
Daftar komponen :
C1 = Elco 10uF/150V
C2 = Elco 10uF/150V
R1 = 3K3
R2 = 100K Ohm
R3 = 100K Ohm
D1 = Dioda silikon tipe K-200
D2 = Dioda silikon tipe K-200
TL = Lampu tabung 10 Watt
S = Sakelar
Berikut ini cara menguji kondensator yang berada pada rangkaian televisi atau radio menggunakan Rangkaian Penguji Kondensator adalah sebagai berikut.
- Mula-mula rangkaian televisi atau radio dinyalakan. Kemudian melihat gambar pada layar (untuk televisi) dan mendengarkan suara radio. Jika gambar televisi kasar, maka kutub belakang dibuka. Kemudian jack (penjepit accu) yang menghubungkan lampu neon (lampu tabung) dijepitkan pada kaki negatif. Apabila lampu menyala atau berkedip-kedip maka kondensator dalam keadaan baik. Tetapi kalau tidak menyala, berarti kondensator tersebut rusak.
- Selanjutnya menyolder pada tempat semula. Cabutlah kaki kondensator berkaki positif. Hubungkan dengan kabel berasal dari sakelar. Kemudian sakelar ditekan. Terjadilah kontak antara komponen satu dengan lainnya yang sebelumnya telah dihubungkan. Bila lampu neon tidak menyala, maka kondensator dinyatakan rusak.
- Mencabut (melepaskan solderan) kedua kaki kondensator dari tempat asal (rangkaian). Kemudian kutub negatif dijepit dengan penjepit negatif dan yang positif dijepit dengan yang berhubungan sama kabel dari chasis sakelar. Selanjutnya menekan sakelar. Apabila lampu neon menyala, berarti kondensator dalam keadaan baik.