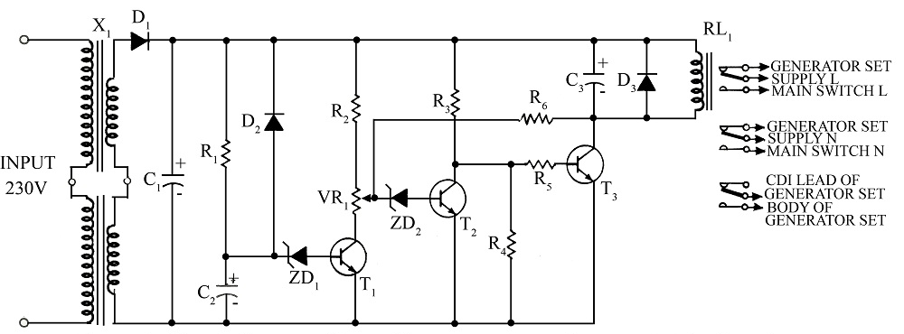
Karena krisis energi beban penumpahan mungkin menjadi masalah umum di beberapa negara, termasuk negara kita tercinta Indonesia. Fluktuasi listrik tiba-tiba, gelombang dan tegangan tinggi adalah hal yang dapat merusak peralatan rumah tangga canggih seperti TV, VCR, VCP dan sistem musik. Dengan begitu kita memerlukan perangkat yang secara otomatis dapat mengalih-fungsikan catu daya AC ke DC dan sebaliknya sesuai dengan keadaan pasokan listrik yang terjadi dan dibutuhkan saat itu. Rangkaian Saklar Otomatis Dari Generator ke Catu Daya Utama ini memberikan perlindungan terhadap masalah ini dan secara otomatis mengubah power supply (catu daya) dari output generator untuk pasokan listrik dan juga mematikan generator.
Adapun prinsip kerja Rangkaian Saklar Otomatis Dari Generator ke Catu Daya Utama ini sebagai berikut. Ketika garis suplai tegangan melintasi tingkat preset, Dioda Zener ZD4 memecah dan dengan demikian transistor T2 bekerja, T3 tidak bekerja, menyebabkan relay untuk de-energise. Gelombang tegangan pada saat kembalinya daya dilindungi oleh rangkaian penundaan sekitar transistor T1.

Daftar komponen :
Resistors
R1 = 10 Ω
R2 = 1 KΩ
R3 = 820 Ω
R4 = 57 KΩ
R5 = 47 Ω
R6 = (15 KΩ to 100 KΩ)
Kapasitor
C1 = 100 µF/25V
C2 = 1000 µF/12V
C3 = 100 µF/18V
Semikonduktor
T1 = BC147
T2, T3 = SL100
D1, D2 = 1N4001
D3 = 1N4007
ZD1 = 5.6V/400mW
ZD2 = 7.8V/400mW
Lain-lain
X1, X2 = 230V AC primer ke 12 V, 500mA transformer sekunder
RL1 = 12V/450 Ω relay
Semua generator minyak tanah dan bensin portabel memiliki sambungan dari CDI. Untuk menghentikan mesin generator, koneksi ini harus di-bumikan sejenak (melalui saklar). Timah ini harus dihubungkan dengan tanah melalui N / C titik relay. Alih-alih transformator satu, dua trafo dapat digunakan dalam seri untuk menjamin kehidupan peralatan yang lebih baik. Nilai kapasitor C2 dapat meningkat atau menurun untuk variasi waktu tunda. Sebuah resistansi umpan balik negatif, R6 (15K Ohm sampai 100K Ohm) dapat dimasukkan antara transistor T3 dan T4 untuk mengatasi kerusakan yang dapat disebabkan oleh fluktuasi tegangan. Demikianlah sedikit kupasan mengenai Rangkaian Saklar Otomatis Dari Generator Ke Catu Daya Utama. Demoga bermanfaat.