Rangkaian Alarm Tanda Kebakaran – Kebakaran kerap kali sering terjadi, baik di kota-kota besar yang padat penduduknya maupun di kota-kota kecil. Selain rumah, kebakaran sering melanda ruko, pabrik dan perkantoran. Kebakaran memang sulit dihindari karena banyak hal yang bisa memicu timbulnya kobaran api seperti konsleting, puntung rokok masih menyala, obat nyamuk bakar, korek api, kompor gas meledak, dan lain sebagainya. Tak sedikit terjadi kerugian materi akibat adanya kebakaran ini. Jadi hal yang wajar bila kita harus selalu antisipatif terhadap adanya kebakaran yang bisa terjadi sewaktu-waktu. Alat peringatan dini akan adanya kebakaran pun sangat dibutuhkan oleh sebagian besar masyarakat.
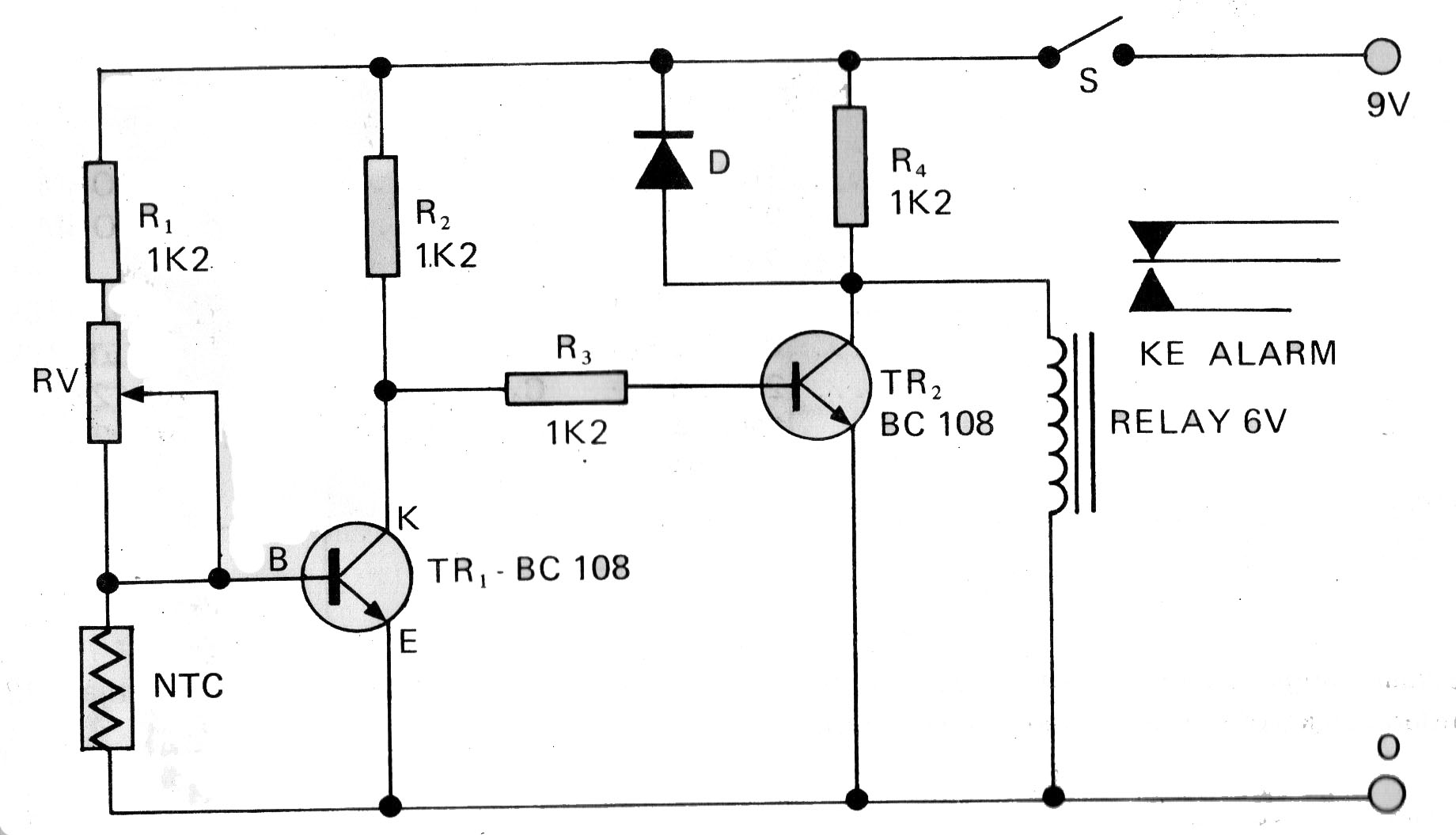
Betapa urgen-nya alat peringatan dini kebakaran menyebabkan kami pun tergerak hati untuk menyajikan Rangkaian Alarm Tanda Kebakaran pada kesempatan kali ini. Di bawah ini kami tampilkan gambar skemanya untuk panduan Anda jika ingin membuatnya.

Daftar komponen :
Resistor
R1 = 1K2
R2 = 1K2
R3 = 1K2
R4 = 1K2
Trimpot
RV = 10K
Dioda
D = 1N4002
Transistor
TR1 = BC108
TR2 = BC109
NTC (Negative Temperature Coefisient)
Relay 6 Volt
Saklar Alarm
Rangkaian Alarm Tanda Kebakaran adalah suatu rangkaian yang dapat dipakai untuk mengetahui adanya bahaya kebakaran. Rangkaian ini mempunyai sensor yang sangat peka terhadap panas yang disebut Thermistor atau NTC (Negative Temperature Coefisient). Dalam pemakaiannya sebaiknya alat ini ditempatkan di dekat peralatan yang dapat menimbulkan panas. NTC ini tahanannya akan kecil apabila kena panas dan akan mengakibatkan transistor akan aktif dan relay akan menghubungkan alarm dengan sumber listrik (baterai/accu/jala-jala listrik) sampai speaker berbunyi.